Ejection Seats
"Aviation in itself is not inherently dangerous. But to an even greater degree than the sea, it is terribly unforgiving of any carelessness, incapacity, or neglect."
Introduction
Emergency escape from aircraft has been of utmost importance to the United States Air Force since its inception. Regulations and policies to insure the safety and survival of crewmembers have been a major thrust of the entire safety program in the Air Force. The current sophisticated and advanced ejection seats with their increased performance capabilities attests to the goal of improving survivability of aircrews during escape from aircraft under adverse conditions throughout the flight envelope.
Engineering sciences have made major contributions to individualizing the ejection seat operating mode to the specific circumstances of the ejection. Test personnel have rigorously demonstrated that these systems do work. Medical personnel have contributed to this effort by historically defining the limits within which the human can tolerate the forces of ejection.
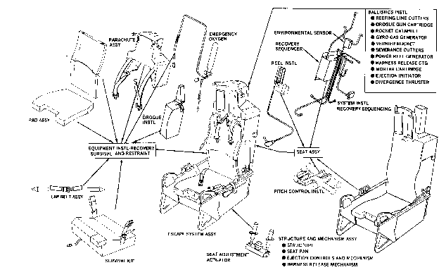
ESCAPE SYSTEMS
Ejection Seat Operation
With the advent of high-performance aircraft, the development of aircraft ejection seats became necessary due to speeds that precluded safe manual bailout. Strong windblast prevented clearing the aircraft and excessive G- forces immobilized aircrew members thus prohibiting escape. The modern ejection seat having undergone a series of refinements since its inception in l946 is today a highly automated system that requires the occupant to only initiate the firing mechanism to effect escape. Typically, the seat consists of a padded bucket, back, and headrest. The seat is mounted on rails which guide the seat on its initial trajectory.
Most seats are propelled by rockets but the methods of restraint, seat separation, and chute deployment will vary according to the various types of ejection seats. Generally, escape is initiated by pulling a firing handle.
In some seats a trigger within the handle then must be squeezed to initiate ejection. As the ejection seat travels up the rails, a leg restraint system activates. The development of rocket propulsion has produced the higher trajectory necessary to clear aircraft structures during high speed escape as well as escape during low speed and zero-zero (zero velocity and zero altitude) ejections. Seat stabilization gyros have been incorporated into recently developed ejection seats to cancel asymmetric forces producing rotation and tumbling (l).

Air Force Ejection Seats
The ejection seat for the T-37 is an individually activated ballistic seat rather than the rocket-powered seat of most other jet aircraft. It thus provides a rapid escape from the aircraft but with a limited escape envelope. The emergency minimum ejection altitudes for a T-37 with no sink rate, level bank, and pitch are: (l) With an Fl-B timer (l sec chute): 200 feet altitude and l20 knots indicated air speed (KIAS). (2) With an F-lB zero delay lanyard connected: l00 feet altitude and l20 KIAS. The seat should work at air speeds as high as 425 KIAS.
The T-37 seat accommodates a back-type parachute and is provided with an inertial reel shoulder harness, an automatic opening lap belt, and a seat separator (butt snapper). It can be manually adjusted up and down and has an emergency disconnect unit in the lower right side. This unit contains the communication lead and oxygen hose with quick disconnect fittings. The seat has a canopy piercer on the top of the seat for through-the-canopy ejections. There are interconnected handgrips on either side of the seat. Within each handgrip is a trigger which is accessible only when the handgrips are in the full up position. Squeezing either trigger initiates canopy jettison and the seat fires 0.33 seconds later. After a 1-second delay, a seat initiator fires the HGU-l2/A lap belt and the seat separator which provides an automatic and positive separation of the seat and the occupant. The lap belt lanyard (gold key) attached to the seat belt activates the parachute opening device, or pulls the D-handle via the zero-delay lanyard (2).
The T-38 ejection seat contains an ejection rocket catapult, a calf guard, two leg braces, a shoulder harness inertia reel, automatic lap belt release, a head rest, a seat separator system, a drogue chute, a drogue gun with five initiators, and a seat adjusting unit. The seat height can be adjusted by an electrically operated actuator via a toggle switch. The inertial reel can be locked by a control lever. When the strap is free to reel in or out, it will lock at a minimum of 2Gs and a maximum of 3Gs but will return to free movement after relaxation of G forces. However, an excessive G load on the strap will lock the reel and it will remain locked until the crewmember resets the control lever. It also locks automatically during seat ejection.
The calf guard is hinge mounted and attaches to the bottom front of the seat and is held in a stowed position. During ejection it is pulled downward into position automatically. There is a hand grip and trigger on both sides of the seat, either of which will activate the initiator and fire the rocket catapult for seat ejection. Pulling either trigger first fires the canopy ejection initiator causing canopy jettison. The inertial reel locks automatically and the seat catapult is activated which ejects the seat from the aircraft. Approximately 0.2 seconds after catapult firing, the drogue gun fires to deploy the drogue chute to stabilize the seat trajectory. At 0.65 seconds after the seat leaves the floor of the aircraft, the seat separator system is activated and that releases the lap belt and forces the occupant away from the seat with the parachute. The parachute deploys shortly thereafter. With this system, successful ejection is possible with 50 knots airspeed on the ground. After parachute deployment, the survival kit will automatically deploy in approximately 4 seconds. If the survival kit is in the manual mode, it must be released manually with the handle on the right front center of the kit.
The weight of the pilot influences the performance of this system. Tests conducted with mannequins weighing as much as 247 pounds were successful with this system retaining its above 50 knots KIAS capability. Accelerative forces will vary according to the weight of the pilot, with pilots weighing in the 5th percentile experiencing l8-20 Gs and 95th percentile pilots experiencing l4-l6 Gs. Maximum recommended airspeed for ejection is 500 KIAS (2).
The Martin-Baker seat was utilized in the F-4 and early A-10 aircraft. In 1967, as ejections from F-4s increased, it became apparent that a means to reduce spinal compression injuries caused by high onset rate of forces was needed. The Mark 5 seat was modified primarily through the addition of a rocket pack, lessening the ejection acceleration acting on the spine. It was designated the Mark 7 seat. Parachute deployment was aided by the use of a drogue chute. After the system had been in use for some time, failure of the F-4 forward canopy to jettison at high speeds indicated a need for additional force to insure positive jettison of the canopy. This was accomplished as well as incorporating three ejection sequences thus allowing the front seat to initiate dual ejection, aft seat initiated dual ejection, and aft seat single ejection (3).
The Advanced Concept Ejection Seat (ACES II) is currently used in the A- l0, F- l5, F-l6, F-117A, B-lB, and B-2 aircraft and incorporates many of the advanced technology characteristics that have evolved in ejection seats. It has a zero-zero capability, deploying a useful chute with ejection on the ground at standstill. In low speed ejections, a gyro-controlled vernier rocket provides pitch stabilization. In high speed ejection conditions additional stabilization is provided by a drogue parachute. To achieve minimum-distance recovery in low-speed ejections, the recovery parachute is deployed as the seat leaves the cockpit. At high speeds, the drogue parachute is deployed immediately, quickly decelerating the seat and crewmember to a suitable speed for recovery parachute deployment. The use of multiple recovery modes permits the functions and timing of the recovery subsystem to be selected for each mode allowing optimum performance throughout the escape envelope.
The recovery parachute and the drogue parachute subsystems are entirely independent. In the low-speed mode, Mode l, deployment of the recovery parachute is initiated as the seat and the crewmember are emerging from the cockpit. Thus, the elapsed time from ejection initiation to parachute inflation is minimized for the critical low-speed, low-altitude ejection conditions. In the high-speed mode, Mode 2, the drogue parachute is needed to slow the seat and occupant prior to recovery parachute deployment.
The drogue is not severed until after the recovery parachute has been deployed. Mode 3 is used for high altitude ejection allowing the seat to descend or decelerate into the Mode 2 parameters prior to Mode 2 recovery being initiated. Mode selection is performed by the recovery sequencer in conjunction with an environmental sensing subsystem which determines airspeed and altitude conditions independent from aircraft systems (4).






EJECTION EVENTS
Pre-ejection
The time interval from the initial need to leave the aircraft (e.g., aircraft damage, loss of controlled flight) until ejection is initiated is known as pre-ejection. During certain critical phases of flight, such as during takeoff and landing, this can be extremely short and not allow any preparation prior to ejection. However, in other situations, such as in- flight emergencies, this time may be sufficient for making changes to increase the probability of successful ejection. Speed can be reduced to lessen the effects of windblast and flailing. Harness straps can be tightened and body position can be adjusted to reduce injury from the forces encountered during ejection (3).
The delay in making the decision to eject has been stressed in flying safety programs since accident data has revealed that over one-third of the aircrew fatally injured during ejection experienced the emergency at altitudes adequate for a successful ejection. This delay has been related to human factors and educational attempts to discourage fatal delays have been included in safety training (2).
Primary Acceleration
Ejection forces are primarily in the upward direction. The object is to attain the greatest possible velocity over a specified period of time. The force which causes the seat to move upward ranges between l2 and 20 Gs. The incidence of spinal injury appears to increase markedly if the peak acceleration exceeds 25 Gs and if the rate of onset is greater than 300 Gs per second. Many factors will determine the actual value that an ejection seat will produce. The propulsion device will be affected by temperature, the total weight of the occupant-seat assembly, the aircraft velocity and relative airspeed at the time of ejection, and the altitude of ejection. The accelerative forces will also be influenced by the complex mechanical behavior of the pilot's body in its relationship to the seat as well as how various body parts relate to each other. The human body may be viewed as a fluid-filled body as it behaves in a dynamic fashion during the ejection sequence. Compression forces may be initially elastic but will often exceed the elastic limits and thus become "dynamic overshoots." These overshoots become important in addressing the injuries sustained during the ejection sequence. The line of seat thrust does not correspond to the long axis of the spine because the guide rails are tilted back at approximately l2 to 20 degrees. The net effect is to produce a vector of forward acceleration necessitating adequate shoulder restraint and protection of the head. The rocket propelled seats have extended the duration of upward thrust and allowed a reduction in the rate of onset of the force to the body as compared to ballistic seats. The result has been an associated reduction in the incidence of spinal injury (l).
Forces of Windblast
After the initial +Gz acceleration of the seat going up the rails, and differential plus and minus Gz acceleration of "gradual" entry into the airstream, the occupant-seat combination is rapidly decelerated due to ram air force from windblast. This force is termed the Q force and varies with the density of the air and is proportional to the surface area of the occupant- seat combination. Q forces are related to indicated airspeed rather than true airspeed. These forces increase with the square of the velocity thus producing the recommendation that pilots should reduce airspeed and increase altitude prior to ejection (3). Q forces have been divided into those produced by windblast, resulting in injuries such as petechial and subconjunctival hemorrhage, and those injuries produced by flailing of the head and extremities. Flail injuries are the result of the differential deceleration of the extremities in relationship to the torso and seat. Flail injury occurs as a consequence of the extremities leaving their initial position, building up substantial acceleration, and then suddenly stopping. The sudden stop may produce a bone fracture, joint dislocation, or total disarticulation (l). Review of combat ejections in Southeast Asia revealed a strong correlation between high-speed ejection and flail injuries (3). Tumbling of the ejection seat and its occupant has been effectively reduced by use of stabilizer drogue chutes and gyro-controlled vernier rockets for positive pitch stabilization (4).
Parachute Descent and Landing
This phase of the ejection sequence is critical to the outcome of the entire process of escape and yet 90 per cent of all non-fatal injuries associated with escape occur during landing. Although the techniques of landing by parachute are easily taught and simulated by jumps from training towers, the incidence of sprained or fractured ankles is estimated to be 50 per thousand descents (l). The correct procedures for parachute landing are taught aircrew during several phases of their training. Flight surgeons should become familiar with the proper procedures and use of equipment. Parachute opening shock can be severe if the drogue chute fails or the main parachute deploys prematurely. High altitude escape is relatively rare, but if it occurs additional risk factors are present. Opening shock is increased due to increased velocities that increase terminal velocity to the point that damage to the parachute and injury to the crewmember usually results. Additional hazards include hypoxia and low temperatures. If the emergency oxygen supply in the emergency system malfunctions or the oxygen mask is lost during escape then hypoxia becomes a significant hazard. Protective flight clothing is usually adequate to prevent frostbite but the loss of gloves can impair usage of fingers required for subsequent survival activities (l).
High-speed escape close to the ground presents the most difficult of ejection sequences. The initial thrust must be adequate to clear the rapidly moving tail section. The windblast will be high and time delays will be necessarily short to minimize loss of altitude before the main parachute deploys. The rocket seat, at high-speed low altitude ejection, has a lengthened initial impulse, allowing more time for the subsystems to operate, and slowing the seat to a safer velocity (3).
Pattern of Ejection Injuries
The injuries occurring during emergency escape are unique and varied (3).
|
|
|
Ejection | Ejection seat G forces | Spinal compression fracture |
Struck by seat or cockpit object | Extremity fracture | |
Foot fractures | ||
Impact canopy structures | Severe lacerations | |
Neck strains | ||
Spinal compression fractures | ||
Windblast | Petechial, retinal and conjunctival hemorrhages | |
Helmet rotation | Neck strain | |
Hail and rain | Contusions, Hemorrhages | |
Flail (linear deceleration) | Fractures | |
Dislocation/disarticulation of extremities | ||
Accelerative and decelerative forces | Internal injuries to the body organs | |
Unconsciousness due to head injury | ||
Subdural hematoma | ||
Parachute
|
Parachute-opening shock | Cervical fracture or strain |
Muscle sprains | ||
Cervical vertebrae dislocation | ||
Riser slap | Facial fractures | |
Contusions | ||
Lacerations. | ||
Parachute Descent | High-altitude ejection | Frostbite |
Hypoxia | ||
High-speed rotation and/or Spinning | Severe pain and hemorrhages | |
Descent through trees | Lacerations | |
Fractures | ||
Landing | Landing impact | Leg-ankle fracture |
Spinal fracture | ||
Parachute drag | Severe drag burns | |
Fractures | ||
Descent in or near fireball | Burns | |
In-water parachute entanglement | Water in lungs and stomach |
Back injuries have been the major source of reported injuries during emergency egress from aircraft. The vertebral column is able to absorb large compressive loads applied parallel to the long axis of the column but dynamic loading produced at angles of l2 to l5 degrees to the long axis of the spine results in significant injuries. The greatest risk occurs between Tl0 and L2. Injuries at other levels are rare and usually related to forward flexion as a result of poor posture. The injuries are either anterior lip chip fractures or compression fractures of the vertebral body. Spinal cord involvement is rare. (l) In a 2-year period the United States Air Force reported that compression fracture was the leading type of injury sustained in 468 ejections (5). It is estimated that radiographic evidence of fracture can be found in 30 to 50 per cent of aircrew after ejection. Any degree of flexion in the posture of the seat occupant enhances the risk of spinal injury. Flight surgeons should make certain that all crewmembers receive radiographs of the spine post-ejection. In questionable cases or in cases of unexplained pain, bone scan procedures should be considered (l).
FUTURE OF EJECTION SYSTEMS
The ejection seat has evolved into a complicated system with subsystems. Seat improvement has improved the odds of survival, and expanded boundary limits for successful ejection. The ability of the seat to monitor environmental factors has allowed better control inputs, improving seat stability. The incidence of ejection injuries is reduced by employing a complex acceleration profile. The profile is impulsive and of high amplitude at the beginning and end of the acceleration period, while relatively smooth and of low amplitude during the interposed major time segment.
The next generation of escape systems will use controllable propulsion systems to provide safe ejection over the expanded aircraft flight performance envelopes of advanced aircraft. Continued research will only enhance the capability of future ejection systems. Current research efforts are being directed toward solving the problems associated with high speed and high altitude ejections.

Within the last 10 years, dramatic escapes from Russian fighter aircraft have captured the attention of military pilots and aviation enthusiasts around the world. The low-altitude ejection from a MiG-29 just prior to ground impact at the 1989 Paris Air Show and a pair of miraculous escapes from two exploding MiG-29s that had collided over Fairford, England, in 1993, vividly demonstrated the potential downside of flying high-performance, military aircraft. The pilots ejected successfully thanks to the K-36D ejection seat designed and built by the Zvezda Research, Development and Production Enterprise in Russia.
The K-36D ejection seat and its associated life support equipment are designed, tested, and produced under the direction of Professor Guy Severin. Professor Severin, a member of the prestigious Russian Academy of Science, has devoted his life to developing and perfecting life-support and life-saving equipment for air and space systems. His achievements include the design of the cosmonaut seats, pressure suits, and the first extravehicular maneuvering unit for the Russian space program; aeronautical fire suppression equipment; and escape systems for fighters, bombers, VTOL aircraft, acrobatic aircraft, and the Russian Buran space shuttle.
The K-36D ejection seat provides directional stability and crew protection features that significantly reduce the risk of injury during ejection, especially at the higher speeds associated with fighter aircraft operations in wartime. Successful K-36D operational ejections have occurred at speeds of 729 KEAS and Mach 2.6.
The aerodynamic forces encountered at high speeds can cause severe neck, spine, and limb injuries. Our experience with Western ejection seats, which are aerodynamically unstable and have little or no limb restraint, indicates that the risk of major injury rises exponentially from about 350 KEAS to a high probability of fatal injury near the seat's structural limit, usually about 600 KEAS. The fact that the aerodynamic forces increase as the square of the velocity has made even incremental improvement of the performance envelope very difficult. Consequently, having an opportunity to test and evaluate an ejection seat with an envelope that Professor Severin claimed provides safe escape up to 755 KEAS, was one we couldn't pass up.

Engineers and scientists from the Air Force Research Laboratory's (AFRL) Human Effectiveness Directorate and the US Navy's Air and Surface Warfare Centers first evaluated the K-36D ejection seat in 1993 as part of a foreign equipment comparative testing program sponsored by the Office of the Secretary of Defense. Tests were conducted using Russian test facilities including a windblast facility, a vertical ejection tower, a rocket-propelled sled, and a MiG-25 aircraft. The K-36D seat was ejected from the rocket sled at speeds as high as 730 KEAS and from the MiG-25 at speeds up to Mach 2.5 and altitudes up to 56,000 ft. Additional tests were then conducted at the Holloman AFB NM sled track to demonstrate performance at low speed and adverse attitudes. This program, which included 17 successive, successful tests, demonstrated that the performance of the K-36D seat at these test conditions was superior to ejection seats used in US aircraft.1
A number of features are responsible for the superior performance of the Russian seat. During ejection, telescoping booms are deployed from the seat to stabilize the attitude of the seat from the time it leaves the aircraft until the seat and its occupant decelerate to the speed where the recovery parachute is deployed and the occupant is separated from the seat. The K-36D seat also deploys a windblast deflector during ejections at airspeeds in excess of 430 KEAS. The windblast deflector improves the airflow around the seat and contributes to windblast protection. Leg lifting devices and arm and leg restraints are provided to prevent limb flail injuries due to windblast forces. The limb restraints do not require the crew to hook up as they enter the aircraft and do not restrict limb movement during normal flight operations.
The successful results of the comparative-testing program led to a decision to adapt this technology in the development of an ejection seat suitable for use in American aircraft. AFRL contracted with Boeing North American (BNA) and their subcontractor Zvezda to engage in an advanced development effort to demonstrate a seat design that will meet US performance requirements. These requirements include: reducing the seat weight by more than 50 lb, accommodating a larger range of occupant weights and sizes, improving the performance of the seat under adverse attitudes with high descent rates, integrating US life support equipment, reducing life-cycle costs, and improving seat producibility and maintainability. The seat that has been developed to demonstrate the feasibility of meeting these requirements uses many of the operationally proven components of the K-36D seat including the stabilization booms, windblast flow deflector, and arm and leg restraints. The seat structure has been redesigned to reduce weight, increase the vertical adjustment range, and provide fore-aft tilt of the seat back. The headrest/parachute container is smaller to improve the occupant's ability to "check six." The ejection catapult and rocket have been redesigned to control the seat acceleration for a wider range of occupant weights and sizes. Zvezda is meeting the challenge of providing improved performance for ejections from adverse attitudes with high descent rates by incorporating an electronic control system and a set of small, roll attitude control rockets. The control system uses data received from the aircraft to establish the best seat operating parameters for safe crew recovery.
Zvezda was very proactive in their efforts to evaluate the effectiveness of the new seat design. They have developed a rocket-propelled sled with an aircraft forebody that can rapidly roll during the ejection. This facility is similar to the sled and forebody that will be used to test the seat at Holloman AFB later this year. Zvezda has also developed a flying testbed to evaluate the performance of the seat at adverse roll attitudes. The testbed consists of a cockpit mounted on the tail of an An-12 transport. The cockpit can be rotated to specific roll angles prior to the ejection. At the time that this article was written, Zvezda had completed 21 successful tests using these facilities as well as the MiG-25 test aircraft used in the earlier comparative-testing program.
Combining Russia's uniquely capable K-36D ejection seat and escape system design expertise with advanced US pyrotechnics, improved life support equipment, and electronic controls technologies offers the opportunity to provide US aircrews an affordable seat with unparalleled safe escape capability.

NEWSLETTER
|
Join the GlobalSecurity.org mailing list |
|
|