Appendix D
High-Speed Multiplexer
Fast and reliable access to data information is critical to a commander's success. The HSMUX card enhances the warfighters' ability to process data information on the battlefield. Enhanced NCs and SENs equipped with the HSMUX card have additional data ports and higher data rate terminations than non-enhanced NCs and SENs. This appendix covers the HSMUX card and the enhanced configurations of the SEN and NC.
HIGH-SPEED MULTIPLEXER CARD |
|
D-1. The HSMUX card enhances the capabilities of the CM and provides the capability to terminate data rates higher than 512 kbps. The HSMUX provides up to four additional ports within a standard DTG. Depending on the configuration, these ports can provide up to four synchronous data circuit-terminating equipment (DCE) RS-422 (balanced) serial data links at 64, 128, or 256 kbps. Figure D-1 shows the HSMUX SEN configuration. |
|

Figure D-1. HSMUX SEN Configuration
| D-2. The HSMUX performs an inverse multiplexer function by taking the aggregate port rate (256 kbps) of each serial data circuit (router) and breaks it into individual 16 or 32 kbps channels on the DTG. Figure D-2 shows the inverse multiplexer. |

Figure D-2. Inverse Multiplexer
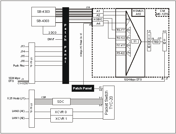
| D-3. The HSMUX card replaces the A10 multiplexer (MX)/demultiplexer (DMX) card in the CM, and it provides four additional serial ports. The back plane of the A10 card is not wired for access outside the CM. The individual Diphase Loop Modem-A (DLPMA) card provides access to the patch panel for the original SEN trunks. A high-speed balanced interface card (HSBIC) provides access to the new high-speed ports without modifying the CM or LTU. The HSBIC replaces one of the DLPMA cards in the CM. The HSBIC terminates two of the four HSMUX ports and extends them to the patch panel instead of the four voice trunks. These serial circuits are then patched over to the line side of the patch panel so the circuit can be extended over 26 pair to a J-Box. Figure D-3 shows the HSMUX/HSBIC SEN signal flow. |
ENHANCED SEN CONFIGURATION |
|
| D-4. The HSMUX enhancement provides standard MSE connectivity and two high-speed ports that terminate in a router and a channel service unit (CSU)/data service unit (DSU) used for serial video teleconferencing. The router and the CSU/DSU are safeguarded by a universal power supply (UPS). The UPS provides battery backup and acts as a DC inverter, drawing power off the vehicle's 24-volt electrical system. Figure D-4 shows the enhanced SEN configuration. | |

Figure D-3. HSMUX/HSBIC Signal Flow

Figure D-4. Enhanced SEN Configuration/Signal Flow
D-5. The router is configured for two serial connections and two Ethernet connections. Ethernet transceivers (E0 and E1) connect to the router attachment unit interface (AUI) ports allowing for 10Base2 coaxial cable to extend into the TOC. LAN cables are routed behind the equipment rack to the inside cover of the LAN's SEP. The packet switch (IGW) connections to the SEP are disconnected, allowing the new coaxial cable from the router to have access to the outside LAN 0 and LAN 1 Bayonet Neill Concelman (BNC) connectors. D-6. The router serial connections provide access to the backbone high-speed data network and the legacy TPN. Port 1 on the HSMUX card directly connects to Serial 0 on the router. The HSBIC is not used in this configuration to save the four voice trunks. A flat ribbon cable is fabricated to connect Port 1 of the HSMUX and is routed out the front cover of the CM. The ribbon cable is flat enough to allow the CM cover to partially close. This configuration provides 256 kbps data to the backbone routing network at the NC. This connection is via a channel reassignment of 16 channels (17-32) on the extension link DTG. The HSMUX at the SEN and NC provide the inverse multiplexing function and combine these channels to support a 256 kbps aggregate rate. D-7. The packet switch is still used; however, a packet switch port (P0) now directly connects to the router (S1) via a DCE serial interface cable. This does require the packet switch port to be re-jumpered for slaving timing off the router. This packet switch to router connection provides a backdoor to the router from the TPN. However, the primary route for all data out of the SEN is via the serial interface (S0) to the HSMUX card Port 1. D-8. The CSU/DSU is configured to terminate and/or extend up to four ports of the HSMUX. Presently, HSMUX Port 2 is terminated by the CSU/DSU using V.35 interface. The CSU/DSU converts this eight-wire balanced nonrestrictive zone (NRZ) circuit into a two-wire circuit that can extend up to 2 miles over standard WF-16. This does require a CSU/DSU at the TOC to terminate the circuit and convert the two-wire signal back to RS-422, which is required by the VTC system. The two wires leaving the CSU/DSU inside the SEN are presently spliced into a patch cord that allows the circuit to be patched down a 26-pair via the patch panel. D-9. The HSMUX multiplexes the 256 kbps router data, the 256 kbps VTC data, and the SEN standard trunks into a 1024 kbps DTG. The settings of the HSMUX, the CM, and the LOS radio must be changed to reflect this data rate/configuration. The HSMUX card (A10) is manually configured from a predefined set of port options. A set of DIP SWITCHES (label S1) on the card determines the group rate of the DTG and each individual port rate. See Table D-1 for S1 settings with appropriate port/channel assignments. D-10. The HSMUX card has several peculiarities. It has two 21-pin connectors (J2 and J4) that provide access to the data ports. Each connector provides access to two ports. Each port provides an eight-wire balanced NRZ full-duplex data and timing interface. The ports are configured as DCE, which provide transmit and receive timing for the terminal device. This requires the connecting circuit (data terminal equipment (DTE)) to slave timing from the HSMUX. The connector to each port is easily misaligned considering there is no set keying. Each internal cable has either an 8- or 10- socket box connector at each end. If a 10-socket head is used, two sockets on the box connector remain empty. These two empty sockets should always be to the TOP. Extreme caution should always be used to connect the box connector to these extremely fragile pins. As mentioned earlier, the ports are manually configurable by DIP SWITCHES (S1) on the HSMUX card and these switches are read right to left. Figure D-5 gives the layout of the HSMUX card. |
Table D-1. HSMUX (16 kbps Channel Rate) Port Options
Figure D-5. HSMUX Card Layout
ENHANCED NC CONFIGURATION |
|
| D-11. The NC is an integral piece to the enhanced SEN configuration. The output of the HSMUX card is a 1024 kbps time-division multiplexed DTG (16 kbps 64 channels). The NC processes the DTG as a normal group with channels 2-14 terminated as SEN trunks (TT-86) and channel 15 as a packet trunk. The remaining 48 channels must be extended to their predetermined destination via channel reassignments. The HSMUX card at the SEN allocates channels 17-32 on the DTG for the router serial port 1. This port is predetermined to terminate on Serial 0, 1, 2, or 3 of the NC's router and is appropriately channel reassigned to the NC HSMUX dedicated for router connectivity. The HSMUX card at the SEN could also allocate channels 33-48 on the DTG for the VTC circuit. This circuit is usually destined for another SEN either off the same NC or one across the network. These channels are reassigned to the appropriate internodal (channels 49-64) or extension link DTG (channels 33-48).
D-12. The NC HSMUX configuration is significantly different than a SEN. The mission of the HSMUX in the NC is to inverse multiplex the individual channels from a SEN/NC DTG to an aggregate 256 kbps serial link. These links provide data connectivity between various network routers. This configuration provides a robust data network compared to the TPN. The CM in the NC can only terminate four HSMUX ports and one packet switch host trunk interface (PSHTI) port. Potentially, two ports for internodals, two ports for HSMUX extension links, and a port for a T-20 interface. See Figure D-6 for the NC HSMUX configuration |
|

Figure D-6. NC HSMUX Configuration
| D-13. The NC's CM requires a local DTG at 1152 kbps (depending on port configuration). The DTG is used to channel reassign internodal and/or extension link HSMUX router ports to the NC. The DTG comes off the switching shelter SEP and extends to the operations shelter via CX-11230. This does require special modification to the operations shelter's SEP.
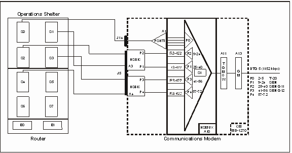
D-14. The NC (unlike the SEN) CM uses two HSBICs in slots A3 and A4. These two HSBICs extend the four HSMUX ports out the back of the CM to the J5 connector. Cables are also fabricated to extend these connectors to the router's DCE serial cables. A separate cable connected to J14 extends the PSHTI card in slot A1 to Serial 7 of the router. Figure D-7 shows the NC signal flow. D-15. A HSMUX network does require multiple changes to the MSE standard database to accommodate high-speed extension links above 256 kbps and the local CM. Figure D-8 shows a proposed HSMUX standard database. |
|

Figure D-7. NC Signal Flow

Figure D-8. HSMUX Standard Database
|
NEWSLETTER
|
| Join the GlobalSecurity.org mailing list |
|
|
|



